新能源產業激光設備集成:解碼激光焊接技術
新能源產業的新興是全世界近年來的主要發展方向,中國作為當前世界的最主要經濟體,新能源產業的發展一直處于高速進步階段。在新能源產業中,汽車是目前比較熱門的行業,國家大力扶持新能源,這使得是新能源的市場百花齊放,作為中國高新信息技術發展高度集中給的行業,激光這種學習先進的制造手段在汽車制造過程中的應用研究有著至關重要的作用,隨著汽車輕量化的要求,高度自動化和高度靈活的生產系統受到青睞,激光設備的優勢愈發明顯。
目前,應用最廣泛的激光切割、激光焊接、激光打標等先進科學技術發展已在中國新能源汽車生產制造等多個重要環節有所不同應用,激光在新能源車領域的滲透率和應用率也正在研究不斷學習提升。而這幾種應用中,激光焊接和激光切割是使用最多,并且對激光的各項指標要求也是多種多樣的,我們下面會著重介紹這兩種應用以及其檢測方法,本章我們先來討論一下激光焊接:
激光焊接
激光焊接技術發展則是新能源汽車行業應用經濟增長最快的賽道。激光焊接技術主要應用于汽車覆蓋件、動力電池、PACK模塊等。譬如全球發展新能源車龍頭企業特斯拉公司推出的劃時代的4680圓柱形電池就使我們用了大電芯、全極耳等創新技術。而蓄電池企業需要使用激光焊接全極耳,這就把激光焊接設備帶到了更廣闊的市場。
激光焊接作為一種現代焊接技術,具有熔深深、速度快、變形小、對焊接環境要求不高、功率密度大、不受磁場的影響、不局限于導電材料、不需要真空的工作條件并且焊接過程中不產生X射線等優勢,被廣泛應用于高端精密制造領域,尤其是新能源汽車及動力電池行業。
激光焊接工藝相較于其他焊接工藝的優勢對比如下:
|
焊接方法 |
焊接材料 |
深度比 |
功率密度 W/cm^2 |
熱形變 |
焊接質量 |
|
激光焊接 |
金屬、非金屬 |
<10 |
10K-100M |
極小 |
質量高;單面焊降低重量且焊接強度高 |
|
電阻焊接 |
金屬 |
<2 |
100-1M |
顯著 |
雙面焊增加重量且焊接強度低 |
|
電弧焊 |
金屬 |
<2 |
1-100K |
顯著 |
焊接點縫大,增加重量且焊接強度低 |
|
電子束焊接 |
金屬、非金屬 |
<30 |
1-100M |
極小 |
質量高,但過程復雜,需要真空和消磁 |
下圖列出了一些常用焊接方法的焊縫圖片,每種方法在某些應用領域各有優缺點。激光焊接具有焊接材料損耗低、無需焊劑、焊縫美觀、性能穩定、操作方便、焊接質量好、自動化程度高、工藝重復性好等優點,是其他焊接方法無法比擬的。

激光焊接優勢總結:
- 激光束斑直徑很小,能量密度極高,功率密度達 10^6~10^8W/cm^2,深寬比大,最高可達/10:1,對高熔點金屬等難焊材料有較好的焊接效果;
- 可用于異種材料、非金屬材料的焊接。電池的結構通常包含多種材料,如鋼、鋁、銅、鎳等,這些金屬可能被制成電極、導線,或是外殼;因此,無論是一種材料之間或是多種材料之間的焊接,均對焊接工藝提出了較高要求。激光焊接的工藝優勢就在于可以焊接的材質種類廣泛,能夠實現不同材料之間的焊接;
- 激光焊接速度快,熱輸入小,從而熱影響材料開發與應用區很小,材料變形及殘余 應力小,無需后續矯正變形;
- 激光焊接接頭力學性能好,焊縫組織致密、強度高。焊縫窄且表面成型好,免去焊后清理等工作;
- 激光焊接系統具有高度柔性化,可施行非接觸遠距離和任何復雜形狀的焊接,易于實現遠程控制與自動化生產。
激光焊接有哪些方式
根據工作原理的不同,適配不同的加工場景,激光焊接可分為熱傳導焊、深熔焊、復合焊接、激光釬焊和激光傳導焊接五種,具體如下:
|
項目 |
熱傳導焊 |
深熔焊 |
復合焊接 |
激光釬焊 |
激光傳導焊 |
|
工作原理 |
激光束在表面熔化相配件,熔融材料混合并凝固 |
極高的強度導致了延伸到材料深處的鎖眼的形成,產生又深又窄的焊縫 |
激光焊接和MAG焊接、MIG 焊接、WiG 焊接或者等離子焊接的組合 |
激光束加熱相配零件從而熔化焊料;熔融的焊料流入到接縫,連接相 配零件 |
激光束通過透射的相配零件,熔化另外一份吸收激光的零件;當焊接形成時相配配零件是夾緊的 |
|
使用激光器 |
主要是光纖激光器(連續和脈沖) |
主要是CO2激光器、連續光纖激光器 |
CO2激光器、連續光纖激光器 |
連續光纖激光器 |
連續光纖激光器 |
|
焊接材料 |
鋼、不銹鋼、鈦、銅、貴金屬 |
鋼、不銹鋼、鈦、鋁 |
主要是銅和鋁 |
銅和鋁 |
塑料,熱塑性塑料、熱塑性彈性材料 |
|
重要工藝參數 |
激光功率、功率密度、焊接速度或脈沖持續時間、工件上光束直徑,保護氣體 |
激光功率、功率密度、焊接速度、聚焦直徑、活躍氣體和保護氣體、填充劑 |
填充劑、激光功率、功率密度、焊接速度、活躍氣體和保護氣體、輔助裝置參數 |
釬焊材料、激光功率、進給功率、工件上的光束直徑 |
材料性能:吸附度、傳輸率、散射;激光功率、光束形狀和直徑、進給功率、沿著焊縫的熱量輸入 |
|
聚焦直徑 |
0.3-1mm |
0.1-0.6mm |
0.3-0.6mm |
0.5-3mm |
1-2mm |
從實際操作來說,激光焊接還有一些細節劃分:穿透焊和縫焊
穿透焊的連接片無需沖孔,加工相對簡單。穿透焊需要功率較大的激光焊機。穿透焊的熔深比縫焊的熔深要低,可靠性相對差點。
縫焊相比穿透焊,只需較小功率激光焊機??p焊的熔深比穿透焊的熔深要高,可靠性相對較好,但連接片需沖孔,加工相對困難。

激光焊接應用舉例:
動力電池組成以及常見焊接位置
動力電池電芯可分為棱柱形電芯、圓柱電芯和軟包電芯三種,

這三種電池目前都用于電動汽車的生產中,其中棱柱形電池和圓柱形電池應用比較廣泛。不同形狀的動力電池具有不同的焊接工藝參數。電池從電芯到成型示意圖如下,焊接是這個過程中非常重要以及復雜的工藝。

動力電芯常見幾種激光焊接位置,即蓋板安全口、電芯&極柱、電池殼、密封銷(電解液注入孔)、電池極耳、電芯極耳和頂蓋。此外,超級電容器的焊接位置主要是連接器和陰極(封焊)。超級電容器和不同類型動力電池的激光焊接位置如圖所示:

電芯組成模塊焊接主要是匯流排焊接以及側板焊接等:
一些特殊的激光焊接工藝:環形光斑焊接
技術原理
環形光斑激光器是通過一根光纖提供兩束獨立控制的同軸激光光束。在焊接過程中,中心光束用于形成焊縫,而環形光斑用于穩定焊接熔池,可實現高速、無飛濺的焊接,此舉幾乎消除了裂紋和氣孔等缺陷。
與普通光纖激光器相比,環形光斑激光器是將單一的高斯分布激光束,改為較復雜的由環狀+中心光束組合而成的環形光束,且兩個光斑都可以實現激光功率和出光時間的實時獨立調整,為激光焊接帶來了更大的靈活性和可能性。

激光焊接的核心因素
激光焊接是目前高端電池焊接推崇的主要方法。激光焊接的剪切強度和抗撕裂強度都比較好。電池焊接的好壞其導電性、強度、氣密性、金屬疲勞和耐腐蝕性能是典型的焊接質量評價標準。決定激光焊接質量的核心要素是激光器能量控制及焊接工藝技術。
(1)激光器功率控制
由于被焊接的材料對不同波長激光的吸收率不同(可以從5%到50%不等),激光器選擇不同,焊接效果完全不同。為了對焊件輸出統一、穩定的焊接激光束,就需要激光輸出功率具有良好的一致性或者能夠精確控制激光輸出功率,功率過低會導致焊接熔融不足而影響焊接質量,功率過高或上下波動會導致飛濺、氣孔等不良效果。因此,激光器能量的控制就成為激光焊接最為關鍵的技術之一。
(2)焊接工藝技術
激光與物質的作用過程較為復雜,激光焊接效果與激光波長、功率密度大小、焊接時間、焊接頭角度、焦點距離、焊件對激光的吸收率及清潔程度、焊件的厚度及導熱性能、保護氣體類型及流量等數十種因素有關。因此,激光焊接工藝技術也是影響焊接質量關鍵的因素之一,需要激光焊接工藝技術人員不斷摸索總結,長時間實驗積累才能夠獲得良好的焊接效果。
激光焊接質量控制:
上面所述激光焊接的工藝,與激光器的兩個參數是最直接相關的,一個是激光的功率(功率穩定性以及實際功率強度),另外一個則是激光的光斑形貌。要想讓激光焊接做到高效,高質量,那么必定要關注激光的這兩個參數,下面我們就來說一些這些參數背后真正的意義:
- 隨著使用時間的增加,實際切割或者焊接的時候會發現質量變差,最直接的體現就是在同樣激光參數設置下,樣品不能被切割開或者焊接變差出現虛焊等現象,這個是由于激光功率變化造成的,功率下降后最終在樣品工作點位置功率密度下降造成的,此時需要調節激光參數從而達到最初設置;

功率隨使用時間的變化
- 功率檢測發現激光器功率與初始沒有改變,但是工作效果依然變差,這個其實是激光聚焦的焦點位置發生了改變(也就是我們常說的焦點飄移),最終導致工作點位置功率密度下降,從而達不到實際工作效果。

焦點位置隨使用時間的變化
因此,激光焊接的過程中,對于激光器的功率以及焦點變化的觀測非常重要,下面我們給大家介紹一些針對不同應用的非常好用的測量設備:
- Helios:激光除銹/清洗,模組外殼焊接等;短時間曝光,可測試高達12kW功率,有自動防塵罩,不需要水冷,可用于profinet集成控制;可見光到近紅外波段覆蓋,滿足不同波長應用;

- Ariel: 激光除銹/清洗,模組外殼焊接等;短時間曝光,可測試高達8000W功率,有防塵罩,不需要水冷,自帶顯示表,含充電電池,體積非常小巧,可以藍牙連結手機遠程讀數,可見光到近紅外波段覆蓋,滿足不同波長應用;

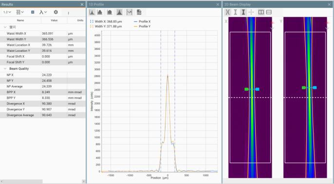
- BeamWatch:可以測試大功率激光器的光束腰(焦點)的寬度和位置,M2或者K值,焦點飄移,光束發散角,不需要衰減,功率越高測試效果越好,可以吹掃氮氣避免灰塵影響等;
下圖時對環形光斑激光器的一個實測分析,可以明顯看出環形光斑的焦點位置,從而可以合適選擇環形光斑工作點,焊接點功率以及約束環的大小;
- BeamWatch AM: 是一種集成激光測量系統,設計用于測量激光增材制造系統的關鍵激光束參數,例如激光器的光束腰(焦點)的寬度和位置,激光功率,M2或者K值,焦點飄移,光束發散角,不需要衰減,密封設計,氣閥推動開shutter,避免灰塵對設備的影響;


- 10K-W,BeamWatch Intergrated :動力電池Busbar焊接過程監控,電池生產各環節過程監控,逆變器焊接過程監控:可以長時間監控功率,集成系統監控M2等參數等;

- Comet:是一款便攜式功率圓盤激光傳感器。通過對激光功率的10s曝光采樣,可實現最高10kW的功率測量。具有平坦的寬帶涂層,頻譜覆蓋范圍為0.2~20µm。無需水冷,直接手柄讀數,測試完即可取走方便后續加工;
































































































13810233784
在線咨詢
